- トップ
- 開発内容の説明 ( Explanation of development )
- 高知県のシェルター ( Kouchi prefecture's shelter )
- 水密扉の解説 ( watertight door )
- コンクリートの解説( Characteristic of concrete )
- 生命維持装置 ( life-save )
- 津波タワーの危険性 ( risk of tsunami tower )
- 浮遊式シェルターの危険性 ( Dangerous of float shelter )
- 原価償却の計算及び税金 ( Depreciation +tax )
- 地下シェルター (type A )
- 地下シェルターUnderground shelter ( type B )
- 地下シェルター Underground shelter ( type C )
- 地下シェルター Underground shelter ( type D )
- 地下シェルター Underground shelter ( type E )
- 地下シェルター (type F) [土地造成法Bタイプ]
- セントラルシェルターの平面図
- 公共シェルターの平面図
- 陸上フロート [ 土地造成法 Type A ]
- 太陽光発電 ( Photovoltaic generation ) no.2
- 間仕切り式2段ベツト (Bed type A )
- 防災ベツト ( 蓄熱タンク式 ) Bed type B
- 仮設工事について ( Temporary works )
- 水圧について考察 ( no.1 ) Hydraulic performance
- 水圧についての考察 ( no.2 ) Hydraulic performance
- 水圧についての考察 ( no.3 ) Hydraulic performance
- 20〜30mの水圧対策 ( Water pressure measure )
- 陸上フロートの始動状況 ( The operation situation )
- 防災ベツトの 配置方法について ( type A bed)
- 陸上フロートで太陽光発電 ( Photvoltaic generation )
- 地上脱出口の考察 ( no.1 ) Exit validation
- 地上脱出口の考察 ( no.2 )
- 地上脱出口の考察 ( no.3 )
- 避難経路の考察 no.1
- 避難経路の考察 no.2
- 避難経路の考察 no.3
- ベッドの視察 1 (Bed type A )
- シングルベッド ( type C ) single bed
- ベッドの視察2 ( typeC )
- 地上シェルターの危険性 (Grand shelter)
- コピー商品の発生
- 5年が経ちました
- 熊本地震においての被害
- 国内生産にするべきか?
- 二段ベッドの連結使用
- 地下シェルター ( type G ) Final shelter
- 危険な漂流シェルター (Muder shelter )
- 焼津市の津波タワー (yaizu in shizuoka prefe )
- シェルターマンション (Type A) Condominium
- 豊橋市の津波タワー ( toyohashi in aichi pre )
- シェルターマンション (Type B) Condominium
- 掛川市の津波タワー (kakegawa in shizuoka pre )
- シェルターマンション (Type C) Condominium
- いのち山 ( 袋井市) fukuroi in shizuoka prefe
- シェルターマンション (Type D) Condominium
- 不経済な津波タワー ( Uneconomical tower )
- 経済的なタワー ( Economical tower)
- 表面保護コンクリート
- 宅地造成 (Type E) Construction of residential land
- 二重構造の津波シェルター (Double structure)
- 宅地造成 Type D
- 宅地造成 (Type A) Construction of residential land
- 内蔵損傷 ( Built in rupture )
- 緊急外科手術 ( Emergency surgery)
- ハウジングセンター (第一回)
- 串本町 (和歌山県) Kushimoto in wakayama vol.1
- 串本町 no.2
- 南伊勢町 (Minami ise in mie prefecture )
- 熊野市 (Kumano in mie prefecture )
- 那智勝浦町 (和歌山県) nachi in wakayama prefe
- 熊野市 no.2 ( kumano in mie prefecture )
- 串本町 (kushimoto in wakayama ) no.3
- マスコミの報道
- むち打ち ( Whip )
- トイレは不要? unbelievable
- 高潮について
- 救難艇 (国土交通省) Rescue boat vol.1
- 高知県のシェルター (Muder shelter in kouchi prefe ) no.2
- 地上シェルター no.2 (Grand shelter)
- 11. 22
- 合併浄化槽 ( 下水道が完備)
- シェルターリストの作成 ( Shelter list )
- プロパンガスのボンベ
- GPSによる捜索
- 糸魚川市 (itoigawa in niigata prefecture)
- 不必要な防潮提
- 糸魚川市 no.2 (itoigawa in niigata prefecture)
- 糸魚川市 No.3 ( itoigawa in niigata prefecture)
- 高知県のシェルターno.3
- 高知県のシェルター no.4
- トイレは不要? no.2
- 避難訓練 ? なんちゃって程度
- マンホールトイレシステムは、??
- マンホールトイレシステム no.2
- マンホールトイレシステム no.3
- マンホールトイレシステム no.4
- 燃える ! 燃える段ボール !!
- 6年目で、この程度??
- マンホールトイレシステム (Final )
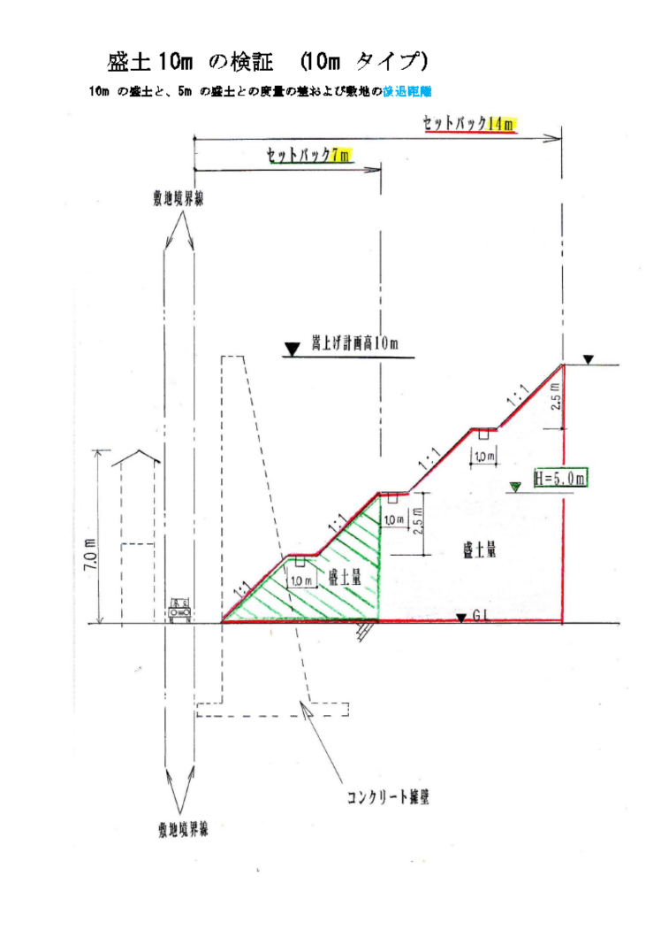
- 盛土、10m ???? ( Embankment ) vol. 1
- アンケート vol. 1 ( Questionnaire )
- 国土交通省 ??????
- サリン、VXガス (SARIN , VXgas ) no.1
- サリン、VXガス(SARIN,VXgas) no.2
- 核シェルター no.1 ( Nuclear shelter 1 )
- 核シェルター no.2 ( Nuclear shelter 2)
- 核シェルター no.3 (Nuclear shelter 3 )
- 検閲 Censorship vol 4
- 高知県のご自慢のシェルター (Kouchi prefecture)
- 観光資源シェルター (sightseeing shelter )
- 浮上式シェルター ( Floating shelter) vol.1
- 浮上式シェルター (Floating shelter) vol .2
- 救難艇 (国土交通省) vol. 2 Rescew boat
- 世界最強シェルター( Superior shelter in the world ) vol.1
- 世界最強シェルター (Superior shelter in the world ) vol.2
- 世界最強シェルター(Superior shelter) vol.3
- 気象庁の動画
- チリ沖地震による津波
- 海面上昇 (Sea level rise ) vol.1
- 海面上昇 ( Sea level rise ) vol.2
- 海面上昇 (Sea level rise) vol.3
- 陸上フロートの高速復興速度(Fast restoration work )
- 土地造成 typeA の家庭用システム
- ピラミッドの群 ? (Japanese pyramid ? )
- 地下シェルターと言えるか? (Is this a shelter?) vol.1
- 地下シェルターと言えるか? (Is this a shelter?) vol.2
- 地下シェルターと言えるのか? ( Is this a shelter ? ) vol.3
- 地下シェルターと言えるか? vol.4
- 福島原発について (Nuclear power plant in Fukushima)
- 高速宅地造成工法 (hight speed housing land construction method)
- 最強の陸上フロート (The best float in the world )
- 復興遅延の原因 ( Cause of recovery delay )
- マスコミの報道 ( The media ) vol.2
- 復興工事の再検討 ( Compact city ) vol .1
- アンケート vol. 2 ( Questionnare )
- 相互リンク ( Mutual link )
- 防災ベッド タンク式 vol.2 ( Bed with tank )
- 離島対策シェルター (Type G ) Remote island
- 津波タワーの危険性 vol.2 (Risk of tsunami tower )
- 盛土10m???? (Embankment ) vol. 2
- 高速で復興工事 vol.2
- 盛土 10m ???? ( Embankment ) vol. 3
- 死亡確率 ( Mortality rate ) vol.1
- 死亡確率 (Mortality rate ) vol.2
- 死亡確率 ( Mortality rate ) vol .3
- 救難艇 (国土交通省) Rescew boat vol.3
- 救難艇 (国土交通省) Rescew boat vol.4
- 蒼蠅驥尾に付す (A blue fly , .........)
- 土石流に対応のシェルター ( for avalanche of sand and stone )
- 出展の依頼受付
- 核シェルターについて




